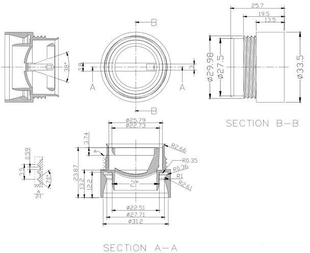
The product picture of Haitian soy sauce bottle cap is shown in Figure 1. The material of the plastic part is PE, the shrinkage rate is 1.016, the average wall thickness of the plastic part is 1.0mm, and the maximum external dimension of the plastic part is Φ33.50 mm X 25.7mm. It can be seen from Figure 1 that the top of the plastic part is designed with a disposable pull ring, and the outside is designed with a thread, which is matched with the outer cover of the soy sauce bottle. There is a circle of inverted buckles on the inner side of the bottom, which is used to closely match the soy sauce bottle mouth without loosening.

The outer thread, one-time pull ring and inner diameter of the plastic part all have demoulding problems. Combined with the characteristics of PP raw materials, the method of strong release is adopted to reduce the mold space and facilitate the positioning of multi-cavity molds.
3. Key points of mold design
3.1 Mold ranking: Plastic parts are round bottle cap products. Due to the large output of plastic parts, they are suitable for one mold with multiple cavities. The mold cavity ranking design of this set is 1 out of 24. Since the template needs to be divided multiple times, the non-standard mold base 4855 is used for the mold base. The thickness of the mold template is thin, and the number of templates is large. The processing accuracy of the template is very important. The processing concentricity of the same cavity cavity should not exceed 0.015. The tolerance is 0.015, and the position tolerance of two adjacent holes does not exceed 0.015, as shown in Figure 2.
The circular hole of the template is processed by a high-precision coordinate boring machine, which can ensure the dimensional tolerance and geometric tolerance of the hole.
3.2 Mold opening direction and parting surface: The choice of mold opening direction determines the degree of difficulty of the mold. For bottle cap round plastic parts, the parting surface is relatively simple, often a plane, but it is more difficult to choose the direction of mold opening. For this type of plastic part, there is nothing wrong with the selection of the mold opening direction, but different selection of the mold opening direction will make the gate and ejection positions of the plastic part different, and thus the complexity of the mold structure is different.
In this example, the parting surface is a plane, and the external thread and one-time pull ring are designed in the fixed mold, and the mold is opened in separate order to achieve strong release. The mold design is shown in Figure 4. The undercut on the edge of the inner diameter is pushed out by the pusher plate to achieve a strong release.
3.3 Design of the pouring system: the mold size is larger, the molten plastic process is longer, and the mold adopts a semi-hot runner system. After the molten plastic enters the nozzle push plate from the splitter plate and hot nozzle, it adopts a small nozzle injection method similar to a three-plate mold, and one hot nozzle is responsible for the injection of glue for the 4 mold cavities. Point the gate to inject the glue at the top of the inner circle of the plastic part. The hot runner system is Xianrui hot runner system, which is a hot runner brand specially designed and processed for the Chinese domestic market by Yudo company in South Korea. The hot runner system is shown in Figure 3.
3.4 Cooling system design: design a cooling circuit on the outer diameter circumference of the circular insert in each cavity to realize the cooling of the plastic parts. This kind of cooling seal belongs to the radial seal, and the quality of the selected seal ring should be good. At the same time, the steps and chamfers should be done in the design and processing of the insert to prevent the rubber ring from being damaged when the mold is installed.
3.5 Analysis of the mold opening sequence: The first mold opening, the fixed mold insert 2 is released by 10, to make room for deformation of the one-time pull-ring force;
The second mold is opened, the fixed mold insert 3 is released 10, and the pull ring completes the forced release at one time;
The third mold opening and the fourth mold opening are similar to the nozzle push plate of the fine nozzle mold to release the nozzle material;
The fifth mold opening, the main parting surface is opened, and the external thread realizes a strong release (note that the fixed mold insert 3 is released at this time to make a deformation space for the external thread to be forced away;
The sixth time the mold is opened, the plastic part is pushed out by the push plate.
3.6 Material and processing of round parts: All round parts are processed by CNC turning. After heat treatment, they are precisely ground by an external cylindrical grinder. The steel is 2344, and the heat treatment hardness is 45`47HRC. The internal thread of the fixed mold insert 4 is horizontally mirrored by the threaded electrode. It is made by electrical discharge machining.
Email: Daisy@abismold.com
Phone: +86-15016526799
Skype: daisymold@outlook.com
Tex: +86-755-89984896 Ext 821
Fax: +86-755-28960682














